Размер шрифта
Цвет фона и шрифта
Изображения
Озвучивание текста
Обычная версия сайта
Корпоративный сайт

8 (800) 101-28-88
8 (800) 101-28-88Бесплатно по РФ
Заказать звонок
E-mail
sale@eldrive.ru
Адрес
414000, г. Астрахань, 1-й проезд Рождественского, стр. 8
Режим работы
Пн. – Пт.: с 8:30 до 17:30
Подать заявку
Каталог
  • Преобразователи частоты
  • Устройства плавного пуска
  • Электрощитовое оборудование
  • Насосное оборудование
  • Электродвигатели и редукторы
  • Грузоподъемное оборудование
  • Cиловое оборудование
  • Вентиляционное оборудование
  • Тепловое оборудование
  • Приборы КИПиА
Производство
Сервисный центр
Услуги
  • Обследование и пусконаладка
    • Шеф-монтаж и пусконаладка оборудования на объекте
    • Монтаж и пусконаладка оборудования на объекте
    • Выезд инженера для проведения пусконаладочных работ
    • Техническое обследование на объекте, разработка систем автоматики
    • Техническое обследование на объекте по РФ, разработка систем автоматики
    • Услуги по подбору оборудования, согласование т.з., консультации, и др.
  • Проектирование
    • Проектирование автоматизированной системы управления
  • Настройка и наладка
    • Настройка ПЧ для работы в замк.контуре(с обр.связью по скор., давл., расходу, темпер., току и тд)
    • Настройка ПЧ (УПП) для работы в разомкнутом контуре (без обратной связи)
    • Настройка ПЛК: жесткий цикл, управ-е воздействие,условие,задающее измен-е состояния АСУ(1 настройка)
  • Программирование и документация
    • Настройка связи ПЧ (УПП) с компьютером, установка на компьютер программы конфигуратора
    • Программирование и передача данных (GSM-модем и др.)
    • Настройка подключения к локальной Ethernet сети
    • Настройка связи прибора с компьютером, установка на компьютер программы-конфигуратора для прибора
    • Программирование ПЛК: создание непрерывного условия, опроса или управляющего воздействия на 1 канал
    • Предоставление эл.принц. схемы соединений, разработка техописания и эксплуатационной документации
    • Предоставление открытого кода программ для ПЛК и ОП по внедренному АСУТП
    • Программирование одного активного экранного объекта (кнопка, индикатор, и т.д.)
    • Обучение сотрудника и консультационные услуги, руб/час, мин. 6000руб
  • Ремонт промышленной автоматики
    • Ремонт частотных преобразователей и устройств плавного пуска
    • Сервисный центр
  • Разработка и производство шкафов автоматики
    • Проектирование под специфические требования заказчика
    • Изготовление шкафов любой сложности
    • Монтаж и наладка оборудования
Компания
  • О компании
  • Реквизиты
  • Сертификаты
  • История компании
  • Миссия и ценности
  • Структура и команда компании
  • География присутствия в России
Галерея
Контакты
Астрахань
0
0
Корпоративный сайт

Астрахань
8 (800) 101-28-88
8 (800) 101-28-88Бесплатно по РФ
Заказать звонок
E-mail
sale@eldrive.ru
Адрес
414000, г. Астрахань, 1-й проезд Рождественского, стр. 8
Режим работы
Пн. – Пт.: с 8:30 до 17:30
Заказать звонок
Подать заявку
Каталог
  • Преобразователи частоты
    Преобразователи частоты
  • Устройства плавного пуска
    Устройства плавного пуска
  • Электрощитовое оборудование
    Электрощитовое оборудование
  • Насосное оборудование
    Насосное оборудование
  • Электродвигатели и редукторы
    Электродвигатели и редукторы
  • Грузоподъемное оборудование
    Грузоподъемное оборудование
  • Cиловое оборудование
    Cиловое оборудование
  • Вентиляционное оборудование
    Вентиляционное оборудование
  • Тепловое оборудование
    Тепловое оборудование
  • Приборы КИПиА
    Приборы КИПиА
Производство
Сервисный центр
Услуги
  • Обследование и пусконаладка
    Обследование и пусконаладка
  • Проектирование
    Проектирование
  • Настройка и наладка
    Настройка и наладка
  • Программирование и документация
    Программирование и документация
  • Ремонт промышленной автоматики
    Ремонт промышленной автоматики
  • Разработка и производство шкафов автоматики
    Разработка и производство шкафов автоматики
Компания
  • О компании
  • Реквизиты
  • Сертификаты
  • История компании
  • Миссия и ценности
  • Структура и команда компании
  • География присутствия в России
Галерея
Контакты
    0 Сравнение
    0
    Корпоративный сайт
    Астрахань
    8 (800) 101-28-88
    8 (800) 101-28-88Бесплатно по РФ
    Заказать звонок
    E-mail
    sale@eldrive.ru
    Адрес
    414000, г. Астрахань, 1-й проезд Рождественского, стр. 8
    Режим работы
    Пн. – Пт.: с 8:30 до 17:30
    Заказать звонок
    Поиск
    Войти
    0
    0 Корзина
    Подать заявку
    Корпоративный сайт
    Телефоны
    8 (800) 101-28-88 Бесплатно по РФ
    Заказать звонок
    0
    0
    Корпоративный сайт
    • Каталог
      • Каталог
      • Преобразователи частоты
      • Устройства плавного пуска
      • Электрощитовое оборудование
      • Насосное оборудование
      • Электродвигатели и редукторы
      • Грузоподъемное оборудование
      • Cиловое оборудование
      • Вентиляционное оборудование
      • Тепловое оборудование
      • Приборы КИПиА
    • Производство
    • Сервисный центр
    • Услуги
      • Услуги
      • Обследование и пусконаладка
        • Обследование и пусконаладка
        • Шеф-монтаж и пусконаладка оборудования на объекте
        • Монтаж и пусконаладка оборудования на объекте
        • Выезд инженера для проведения пусконаладочных работ
        • Техническое обследование на объекте, разработка систем автоматики
        • Техническое обследование на объекте по РФ, разработка систем автоматики
        • Услуги по подбору оборудования, согласование т.з., консультации, и др.
      • Проектирование
        • Проектирование
        • Проектирование автоматизированной системы управления
      • Настройка и наладка
        • Настройка и наладка
        • Настройка ПЧ для работы в замк.контуре(с обр.связью по скор., давл., расходу, темпер., току и тд)
        • Настройка ПЧ (УПП) для работы в разомкнутом контуре (без обратной связи)
        • Настройка ПЛК: жесткий цикл, управ-е воздействие,условие,задающее измен-е состояния АСУ(1 настройка)
      • Программирование и документация
        • Программирование и документация
        • Настройка связи ПЧ (УПП) с компьютером, установка на компьютер программы конфигуратора
        • Программирование и передача данных (GSM-модем и др.)
        • Настройка подключения к локальной Ethernet сети
        • Настройка связи прибора с компьютером, установка на компьютер программы-конфигуратора для прибора
        • Программирование ПЛК: создание непрерывного условия, опроса или управляющего воздействия на 1 канал
        • Предоставление эл.принц. схемы соединений, разработка техописания и эксплуатационной документации
        • Предоставление открытого кода программ для ПЛК и ОП по внедренному АСУТП
        • Программирование одного активного экранного объекта (кнопка, индикатор, и т.д.)
        • Обучение сотрудника и консультационные услуги, руб/час, мин. 6000руб
      • Ремонт промышленной автоматики
        • Ремонт промышленной автоматики
        • Ремонт частотных преобразователей и устройств плавного пуска
        • Сервисный центр
      • Разработка и производство шкафов автоматики
        • Разработка и производство шкафов автоматики
        • Проектирование под специфические требования заказчика
        • Изготовление шкафов любой сложности
        • Монтаж и наладка оборудования
    • Компания
      • Компания
      • О компании
      • Реквизиты
      • Сертификаты
      • История компании
      • Миссия и ценности
      • Структура и команда компании
      • География присутствия в России
    • Галерея
    • Контакты
    Подать заявку
    • Астрахань
      • Города
      • Москва
      • Казань
      • Уфа
      • Чебоксары
      • Нижний Новгород
      • Челябинск
      • Набережные Челны
      • Астрахань
      • Барнаул
      • Владивосток
      • Волгоград
      • Воронеж
      • Екатеринбург
      • Ижевск
      • Иркутск
      • Калининград
      • Кемерово
      • Киров
      • Краснодар
      • Красноярск
      • Курск
      • Липецк
      • Магнитогорск
      • Махачкала
      • Новокузнецк
      • Новосибирск
      • Омск
      • Оренбург
      • Пенза
      • Пермь
      • Ростов-на-Дону
      • Рязань
      • Самара
      • Санкт-Петербург
      • Саратов
      • Севастополь
      • Симферополь
      • Ставрополь
      • Тверь
      • Тольятти
      • Томск
      • Тула
      • Тюмень
      • Улан-Удэ
      • Ульяновск
      • Хабаровск
      • Ярославль
    • Кабинет
    • 0 Сравнение
    • 0 Корзина
    • 8 (800) 101-28-88 Бесплатно по РФ
      • Телефоны
      • 8 (800) 101-28-88 Бесплатно по РФ
      • Заказать звонок
    • 414000, г. Астрахань, 1-й проезд Рождественского, стр. 8
    • sale@eldrive.ru
    • Пн. – Пт.: с 8:30 до 17:30

    Вводно-распределительные устройства

    5
    Главная
    —
    Продукты
    —
    Электрощитовое оборудование
    —
    Вводно-распределительные устройства
    Фильтр
    По популярности (возрастание)
    По наименованию (А-Я)
    По наименованию (Я-А)
    По популярности (возрастание)
    По популярности (убывание)
    По цене (сначала дешёвые)
    По цене (сначала дорогие)
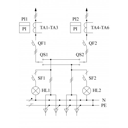
    ВРУ1-11-10 УХЛ4 Вводно-распределительное устройство (без счетчиков) ВРУ1-11-10 УХЛ4 Вводно-распределительное устройство (без счетчиков) ВРУ1-11-10 УХЛ4 Вводно-распределительное устройство (без счетчиков)
    Вводно-распределительные устройства
    ВРУ1-11-10 УХЛ4 Вводно-распределительное устройство (без счетчиков)
    В наличии
    81855
    96300
    скидка 15%
    В корзину
    ВРУ1-11-10А УХЛ4 Вводно-распределительное устройство (без счетчиков) ВРУ1-11-10А УХЛ4 Вводно-распределительное устройство (без счетчиков) ВРУ1-11-10А УХЛ4 Вводно-распределительное устройство (без счетчиков) ВРУ1-11-10А УХЛ4 Вводно-распределительное устройство (без счетчиков)
    Вводно-распределительные устройства
    ВРУ1-11-10А УХЛ4 Вводно-распределительное устройство (без счетчиков)
    В наличии
    87975
    103500
    скидка 15%
    В корзину
    ВРУ1-12-10 УХЛ4 Вводно-распределительное устройство (без счетчиков) ВРУ1-12-10 УХЛ4 Вводно-распределительное устройство (без счетчиков) ВРУ1-12-10 УХЛ4 Вводно-распределительное устройство (без счетчиков)
    Вводно-распределительные устройства
    ВРУ1-12-10 УХЛ4 Вводно-распределительное устройство (без счетчиков)
    В наличии
    77520
    91200
    скидка 15%
    В корзину
    ВРУ1-13-20 УХЛ4 Вводно-распределительное устройство (без счетчиков) ВРУ1-13-20 УХЛ4 Вводно-распределительное устройство (без счетчиков) ВРУ1-13-20 УХЛ4 Вводно-распределительное устройство (без счетчиков) ВРУ1-13-20 УХЛ4 Вводно-распределительное устройство (без счетчиков)
    Вводно-распределительные устройства
    ВРУ1-13-20 УХЛ4 Вводно-распределительное устройство (без счетчиков)
    В наличии
    90100
    106000
    скидка 15%
    В корзину
    ВРУ1-13-20А УХЛ4 Вводно-распределительное устройство (без счетчиков) ВРУ1-13-20А УХЛ4 Вводно-распределительное устройство (без счетчиков) ВРУ1-13-20А УХЛ4 Вводно-распределительное устройство (без счетчиков)
    Вводно-распределительные устройства
    ВРУ1-13-20А УХЛ4 Вводно-распределительное устройство (без счетчиков)
    В наличии
    116450
    137000
    скидка 15%
    В корзину
    Каталог
    • Преобразователи частоты
    • Устройства плавного пуска
    • Электрощитовое оборудование
    • Насосное оборудование
    • Электродвигатели и редукторы
    • Грузоподъемное оборудование
    • Cиловое оборудование
    • Вентиляционное оборудование
    • Тепловое оборудование
    • Приборы КИПиА
    Фильтр
    Статус
    Цена
    77520
    87253
    96985
    106718
    116450
    Напряжение
    Производитель
    ?
    Пример подсказки.
    Может быть многострочной и содержать ссылку
    Пусконаладка
    Выбрано 0 Показать
    Выбрано 0
    Доставка в любой регион РФ Доставка в любой регион РФ
    Подписывайтесь
    на новости и акции
    Компания
    О компании
    Реквизиты
    Сертификаты
    История компании
    Миссия и ценности
    Структура и команда компании
    География присутствия в России
    Каталог
    Преобразователи частоты
    Устройства плавного пуска
    Электрощитовое оборудование
    Насосное оборудование
    Электродвигатели и редукторы
    Грузоподъемное оборудование
    Cиловое оборудование
    Вентиляционное оборудование
    Тепловое оборудование
    Приборы КИПиА
    Услуги
    Обследование и пусконаладка
    Проектирование
    Настройка и наладка
    Программирование и документация
    Ремонт промышленной автоматики
    Разработка и производство шкафов автоматики
    Возможности
    Оформление
    Кнопки
    Иконки
    Элементы
    Обзоры
    8 (800) 101-28-88
    8 (800) 101-28-88Бесплатно по РФ
    Заказать звонок
    E-mail
    sale@eldrive.ru
    Адрес
    414000, г. Астрахань, 1-й проезд Рождественского, стр. 8
    Режим работы
    Пн. – Пт.: с 8:30 до 17:30
    sale@eldrive.ru
    414000, г. Астрахань, 1-й проезд Рождественского, стр. 8
    © 2010-2026 Приводная техника и промышленная автоматизация ООО «ЭЛЕКТРОПРИВОД»
    Политика конфиденциальности
    Разработано в
    0 Корзина

    Ваша корзина пуста

    Исправить это просто: выберите в каталоге интересующий товар и нажмите кнопку «В корзину»
    Перейти в каталог
    Каталог Главная 0 Корзина Регион Контакты Лицензии Кабинет Поиск Акции Услуги Бренды Партнеры Карьера Компания Проекты Документы Реквизиты Галерея Цены
    Whatsapp
    Whatsapp
    Telegram